- 广州子锐机器人技术有限公司
- 服务热线:020-82000787(8:30-17:30)
- 联系手机:15889988091(非工作时间)
- 座机:020-82000787
- 传真:020-32887675
- 邮箱:gz@zr-robot.com
- 广州市番禺区东环街金山谷创意八街1号109
- 当前位置:首页 > 工业机器人维修 > FANUC机器人设备安装面的详细图解
FANUC机器人设备安装面的详细图解
时间:2017-03-09 点击: 来源:互联网 作者:匿名
简介:图 4.2 (a),(b)示出设备安装用的螺孔位置。 警告 将设备安装到FANUC机器人上时,注意避免与机构部内电缆干渉。发生干涉时,恐会导致机构部内电缆断线而发生预想不到的故障。 注意 因为有可能对FANUC机器人的安全性和功能造成不良影响,所以绝对不要向FA……
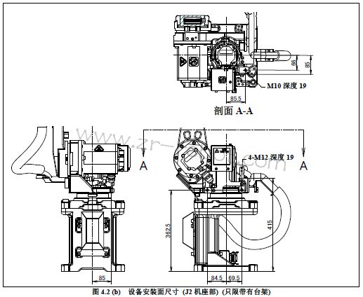
图 4.2 (a),(b)示出设备安装用的螺孔位置。
警告
将设备安装到fanuc机器人上时,注意避免与机构部内电缆干渉。发生干涉时,恐会导致机构部内电缆断线而发生预想不到的故障。
注意
因为有可能对FANUC机器人的安全性和功能造成不良影响,所以绝对不要向FANUC机器人主体追加加工孔或螺孔。
注释
请注意,对使用下图所示螺孔以外螺孔的使用方式不予保证。也不要在使用螺栓紧固的机构部位与机构部一起紧固。




TAG:
FANUC
免责声明:本网部分文章和信息来源于互联网,本网转载出于传递更多信息和学习之目的。如转载稿涉及版权等问题,请立即联系网站所有人,我们会予以更改或删除相关文章,保证您的权利。
工业机器人维修相关阅读:
扫二维码手机浏览
